Будьте всегда в курсе!
Узнавайте о скидках и акциях первым
Новости
Все новости
18 декабря 2025
Режим работы в новогодние праздничные дни
17 августа 2025
Обучающий семинар Zont 21 августа
28 февраля 2025
Обучающий семинар по автоматике ZONT
Электрокотел Kentatsu KBC-26
42 299 ₽/шт
-
+
Под заказ
Срок поставки необходимо
получить у менеджера.
получить у менеджера.
| Модель | KBC-26 |
| Мощность, кВт | 27 |
| Отапливаемая площадь, м2 | 270 |
| Тип отопительного котла | электрический |
| Количество контуров | одноконтурный |
Доставка
- По Санкт-Петербургу - бесплатно.
- По России - через транспортные компании. Рассчитать стоимость доставки самостоятельно.
Оплата
- Картой онлайн
- Наличиными/картой в офисе
- Безналичным переводом
- Характеристики
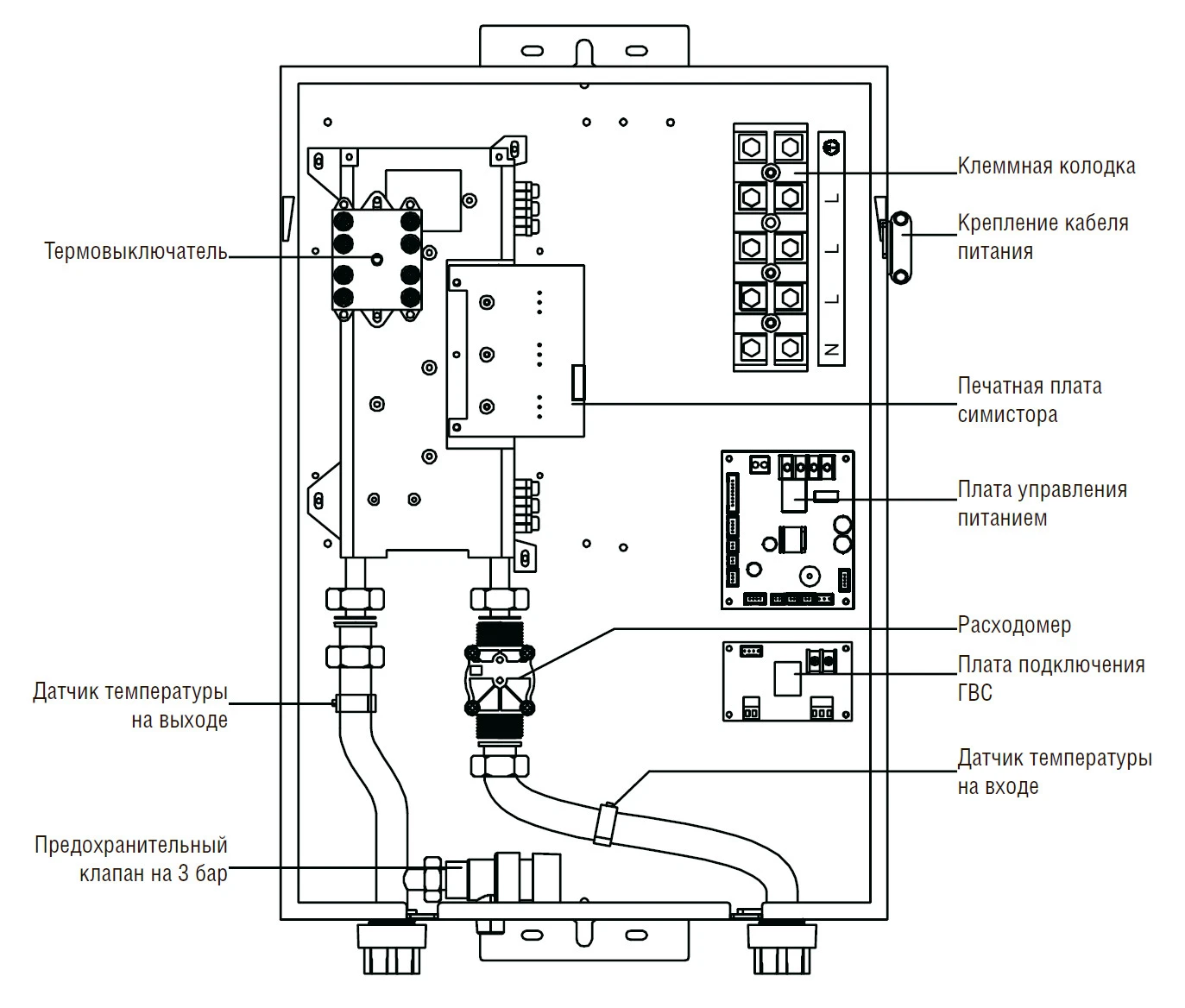
- Устройство
- Документация
- Отзывы (0)
- Задать вопрос
-
Общая информация Тип отопительного котла электрический Количество контуров одноконтурный Вид топлива электричество Модель KBC-26 Тип установки настенный Гарантия, лет 2 Технические характеристики Мощность, кВт 27 Количество ступеней мощностей 3-ступенчатый Ступени мощности 27.0/17.4/8.6 Отапливаемая площадь, м2 270 Регулировка температуры теплоносителя, °С 30 ~ 80 Подключение Диаметр входного/выходного патрубка, дюйм 3/4" Размеры и масса Вес, кг 11.2 Габариты (ВxШxГ), мм 537x365x123 Комплектация и встроенное оборудование Встроенный циркуляционный насос нет Встроенный расширительный бак нет Колодка для подключения термостата есть Колодка для подключения циркуляционного насоса есть Встроенный предохранительный клапан есть Возможность работы с бойлером косвенного нагрева есть Интеллектуальная система выбора мощности есть Дополнительная информация Особенности абсолютная бесшумность работы, теплообменник из алюминиево-магниевого сплава, никель-хромовый нагревательный элемент, нагревательная трубка и водяной канал из нержавеющей стали Информация о производителе Торговая марка Kentatsu Страна Китай -

-
Вы можете задать любой интересующий вас вопрос по товару или работе магазина.
Наши квалифицированные специалисты обязательно вам помогут.
Задать вопрос
Ранее вы смотрели


