Будьте всегда в курсе!
Узнавайте о скидках и акциях первым
Новости
Все новости
18 декабря 2025
Режим работы в новогодние праздничные дни
17 августа 2025
Обучающий семинар Zont 21 августа
28 февраля 2025
Обучающий семинар по автоматике ZONT
Котел электрический ЭПО-96А
Артикул:
11135
199 374 ₽/шт
-
+
Под заказ
Дата доставки: 27.02.2026
| Модель | ЭПО-96 |
| Мощность, кВт | 96 |
| Отапливаемая площадь, м2 | 960 |
| Тип отопительного котла | электрический, ТЭН |
| Количество контуров | одноконтурный |
Доставка
- По Санкт-Петербургу - бесплатно.
- По России - через транспортные компании. Рассчитать стоимость доставки самостоятельно.
Оплата
- Картой онлайн
- Наличиными/картой в офисе
- Безналичным переводом
- Характеристики
- Устройство
- Комплект поставки
- Документация
- Отзывы (0)
- Задать вопрос
-
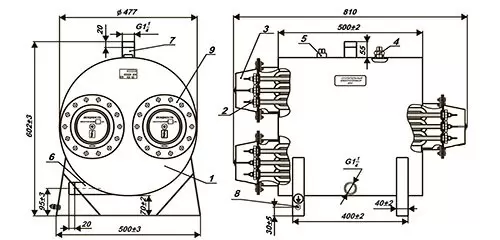
Общая информация Тип отопительного котла электрический, ТЭН Количество контуров одноконтурный Вид топлива электричество Модель ЭПО-96 Тип установки напольный Гарантия, лет 1.5 Технические характеристики Мощность, кВт 96 Количество ступеней мощностей 4-ступенчатый Ступени мощности 30 / 60 / 78 / 96 Функция ротации ТЭНов есть Отапливаемая площадь, м2 960 Регулировка температуры теплоносителя, °С 30-85 Подключение Диаметр входного/выходного патрубка, дюйм 1 1/4 наружная Размеры и масса Вес пульта, кг 20 Вес, кг 130 Габариты пульта (ВхШхГ), мм 660х440х250 Габариты (ВxШxГ), мм 602х477х810 Комплектация и встроенное оборудование Встроенный расширительный бак нет Колодка для подключения термостата есть Колодка для подключения циркуляционного насоса есть Недельный программатор нет Погодозависимая автоматика нет Информация о производителе Торговая марка Эван Страна Россия -

- корпус
- три трубчатых электронагревателя (ТЭН) из нержавеющей стали
- защитный кожух
- аварийный термовыключатель с самовозвратом в виде температурного реле
- датчик терморегулятора
- входной патрубок G11/4
- выходной патрубок G11/4
- зажим М8 для защитного проводника РЕ
- крышка
-
- котел;
- пульт управления;
- руководство по эксплуатации ЛИТЯ.681936.012РЭ;
- индивидуальная потребительская тара пульта управления.
-
Руководство по эксплуатации ЭПО 300-480Размер: 3,5 мбРуководство по эксплуатации ЭПО 132-240Размер: 457 кбРуководство по эксплуатации ЭПО 36-120Размер: 292 кбСертификат ЭПО 2.5-480Размер: 529 кбЭван лифлет отоплениеРазмер: 529 кб
-
Вы можете задать любой интересующий вас вопрос по товару или работе магазина.
Наши квалифицированные специалисты обязательно вам помогут.
Задать вопрос
Ранее вы смотрели
