Будьте всегда в курсе!
Узнавайте о скидках и акциях первым
Новости
Все новости
17 марта 2026
Обучающий семинар ZONT 31 марта
18 декабря 2025
Режим работы в новогодние праздничные дни
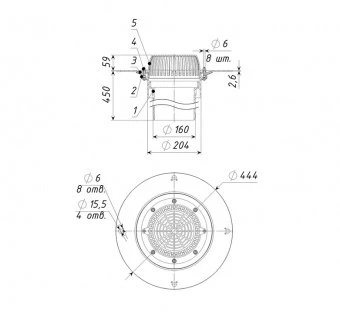
Воронка кровельная ТП-01.160/4
Артикул:
ТП-01.160/4
Кровельная воронка ТП-01.160/4 с вертикальным выпуском D=160 мм, H=450 мм с листвоуловителем и прижимным фланцем
3 900 ₽/шт
-
+
Под заказ
Срок поставки необходимо
получить у менеджера.
получить у менеджера.
| Базовая единица | шт |
| Картинки | Array |
| Вес, кг | 2.5 |
| Срок службы, лет | 50 |
| Страна | Россия |
Доставка
- По Санкт-Петербургу - 500 руб.
- По России - через транспортные компании. Рассчитать стоимость доставки самостоятельно.
Оплата
- Картой онлайн
- Наличиными/картой в офисе
- Безналичным переводом
- Характеристики
- Документация
- Отзывы (0)
- Задать вопрос
-
Общая информация Срок службы, лет 50 Тип кровли для неэксплуатируемых кровель Материал корпуса воронки ПП Материал прижимного фланца нержавеющая сталь Технические характеристики Пропускная способность, л/с 12 Максимальная разрешенная нагрузка, кг 150 Макс. температура отводящей жидкости, °С +85 Температура окружающей среды, °С -50 ...+90 Подключение Диаметр приемной воронки, мм 444 Наружный диаметр выпуска, мм 160 Размеры и масса Вес, кг 2.5 Высота выпускного патрубка, мм 450 Комплектация и встроенное оборудование Наличие фланца есть Наличие листвоуловителя есть Электрообогрев нет Дополнительная информация Применение для отвода дождевой и талой воды с плоских кровель в дождевую канализацию Информация о производителе Торговая марка Татполимер Страна Россия -
ПаспортРазмер: 0,3 мб
-
Вы можете задать любой интересующий вас вопрос по товару или работе магазина.
Наши квалифицированные специалисты обязательно вам помогут.
Задать вопрос
Ранее вы смотрели

